
3.5 Connection of the FANUC I/O Link
Please refer to connecting manual of control unit that AS-i converter is connected. The way
to connect of unit which is connected I/O Link is common completely.
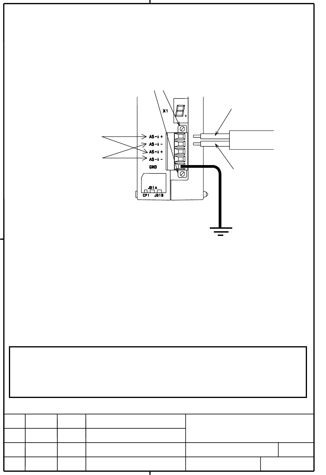
3.6 Connection of AS-i terminal
1) Strip insulator of AS-i cable, and screw to the terminal of AS-i converter.
2) Terminal of this unit is detachable, and it is possible to connect cable taking off
from unit. When you set terminal into unit again, screw both side of terminal
securely.
3) This unit have two AS-i "+" terminal and two AS-i "-" one. It is easy to separate
some AS-i cables. Two sets of "+" terminal and "-" terminal are connected inside
this unit each other. Please use terminal whichever you are easy to work.
4) You must not to connect two cables into one terminal. Please connect one
cable into each one terminal.
5) Connect "GND" terminal with frame ground.
EDIT
SHEET
DRAW. NO.
CUST
TITLE
11/33
DESCRIPTION DESIG. DATE
04 05.06.07 Yamana Out of frame #4 is added
FANUC I/O Link-AS-i Converter
Connecting manual
-80906E
Screw for detachable terminal
S-i cable
+:Brown
-:Blue
Two sets of "+" terminal
and "-" terminal are
connected inside this unit
each other.
Note)
To prevent the induction noise, construct the cable of AS-I and sensor separating from a high-tension wire
and a power line as mush as possible. We recommend to separate more than 300mm.
Please install surge absorber in the equipment that generates the noise easily.
#4